No "About" Data Found
- 3D
- Product Detail
- Drawings
- Documents
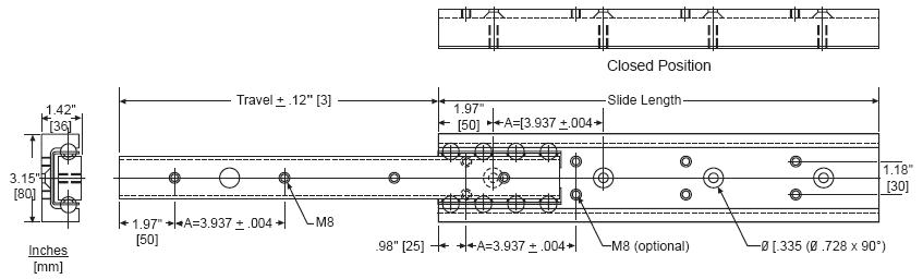
Applications: Designed for super heavy-duty applications requiring resistance to moisture or humidity.
Additional Documentation
Additional Documentation
Processing your download request