No "About" Data Found
- 3D
- Product Detail
- Drawings
- Documents
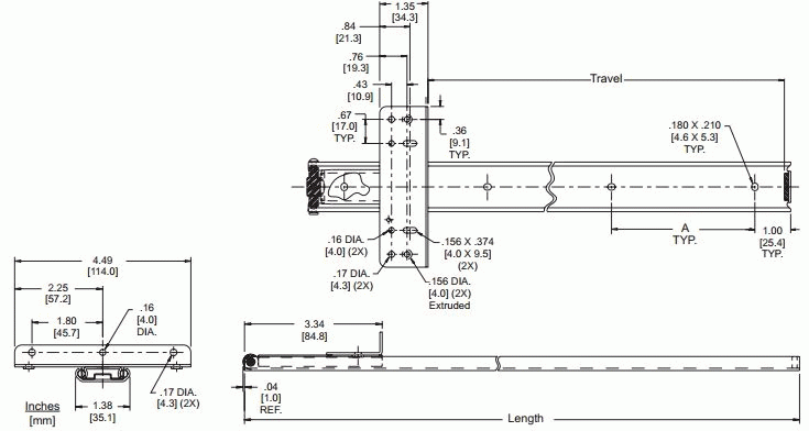
Applications: Use for concealed doors on entertainment centers, wall units, and cabinets. Use for horizontal or vertical applications.
Additional Documentation

Headquarters
Offices
You
Facility
Distributors
