No "About" Data Found
- 3D
- Product Detail
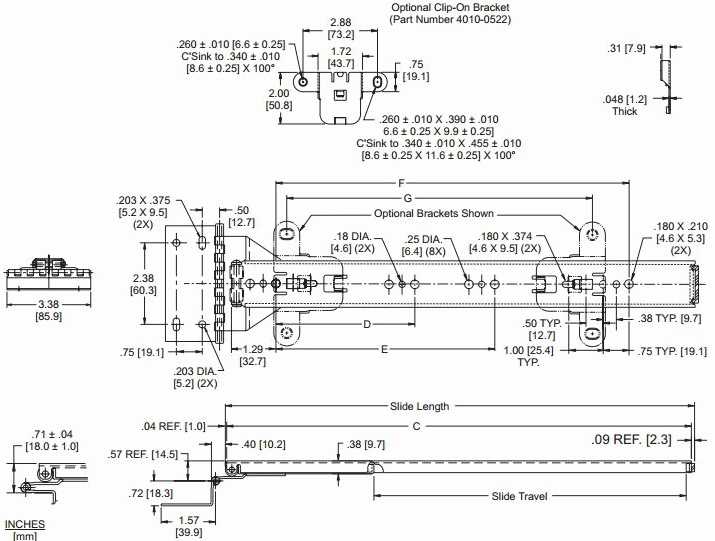
- Drawings
- Documents
Applications: Use for cabinets with doors rotating upward and retracting over
the top where a slow closing feature is required.
the top where a slow closing feature is required.
Additional Documentation

Headquarters
Offices
You
Facility
Distributors
