No "About" Data Found
- 3D
- Product Detail
- Drawings
- Documents
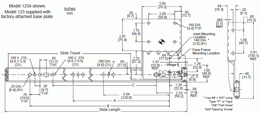
Applications: Use for accommodating taller doors in armoires and entertainment centers.
Additional Documentation
Additional Documentation
Processing your download request