No "About" Data Found
- 3D
- Product Detail
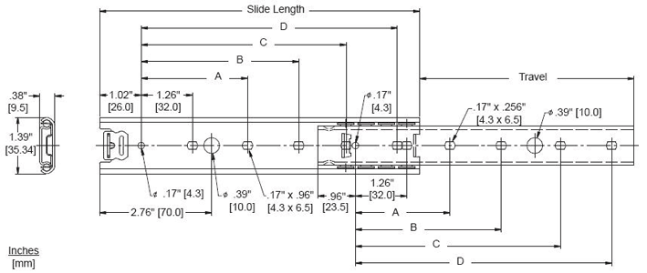
- Drawings
- Documents
Applications: Light duty installations in environments exposed to moisture or humidity.
Additional Documentation
Additional Documentation
Processing your download request