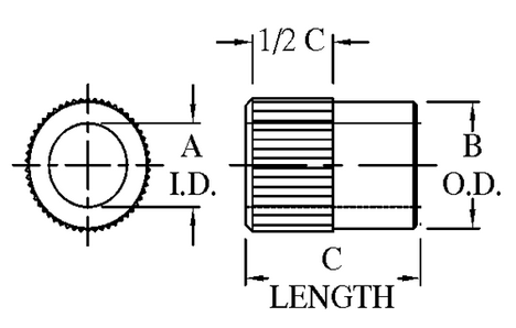
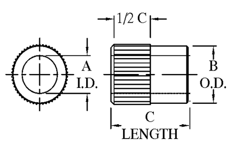
Home Drill Bushings & Locking Accessories Drill Bushings Serrated Press Bushing (SP Type) 3D Product Detail Drawings Documents Update Preview Helper Drawing(s) Additional Documentation Technical Information on Drill Bushings CAD Model Download Bill of Materials Request for Quote No CAD Available Select Format: 3D XML (.3dxml)ACIS (.sat)AutoCAD 2D (.dwg)AutoCAD 3D (.dwg)Autodesk Inventor (.ipt, .iam)DesignSpark Mechanical (.step)DraftSight (.dwg)DXF 2D (.dxf)Geomagic Design (.step)IGES (.igs)IronCAD (.sat)Parasolid (.x_t)PDF 3D (.pdf)PDF 3D with Details (.pdf)ProE/Creo (.step)Revit (.rfa)Solid Edge (.x_t)SOLIDWORKS (.sldprt, .sldasm)SpaceClaim (.step)STEP AP203 (.step)STEP AP214 (.step)STL (.stl)TurboCAD (.step)Unigraphics (.x_t)ZW3D (.step) Download Open Insert Replace Company Name: First Name: Last Name: E-mail Address: Phone: State: Postal Code: Country: Please send me pricing and availability on this item: Part Number Description Quantity Comments: Clear Submit