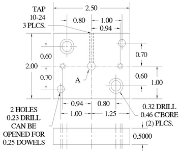
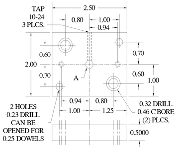
HomeTooling Components Construction Tooling Ball Pad 3D Product Detail Drawings Update Preview Material: C 1144 Heat Treated RC 54-56For Gaging, Inspection and MeasuringBall and Shank are Concentric within 0.0002 T.I.R. Helper Drawing(s) Additional Documentation CAD Model Download Bill of Materials Request for Quote No CAD Available Select Format: 3D XML (.3dxml)ACIS (.sat)AutoCAD 2D (.dwg)AutoCAD 3D (.dwg)Autodesk Inventor (.ipt, .iam)DesignSpark Mechanical (.step)DraftSight (.dwg)DXF 2D (.dxf)Geomagic Design (.step)IGES (.igs)IronCAD (.sat)Parasolid (.x_t)PDF 3D (.pdf)PDF 3D with Details (.pdf)ProE/Creo (.step)Revit (.rfa)Solid Edge (.x_t)SOLIDWORKS (.sldprt, .sldasm)SpaceClaim (.step)STEP AP203 (.step)STEP AP214 (.step)STL (.stl)TurboCAD (.step)Unigraphics (.x_t)ZW3D (.step) Download Open Insert Replace Company Name: First Name: Last Name: E-mail Address: Phone: State: Postal Code: Country: Please send me pricing and availability on this item: Part Number Description Quantity Comments: Clear Submit